hga010手机版下载·(中国区)官方网站hga010手机版下载

我们非常重视您的个人隐私,当您访问我们的网站时,请同意使用的所有cookie。有关个人数据处理的更多信息可访问《隐私政策》

产品中心
三态输出缓冲器

产品中心

车规级8通道三态输出缓冲器

NCA8244-Q1是一款车规级八进制缓冲器/驱动器,用于提高面向总线的接收器和发射器、时钟驱动等的驱动能力。并确保信号时钟的准确性。它在每个方向上提供四个通道,具有独立的输出使能(/OE)输入,低电平有效。当 /OE 处于低电平时,NCA8244-Q1 将数据从 A 传输到 Y。当 /OE 为高电平时,输出处于高阻抗状态。在上电和掉电过程中,应通过上拉电阻将/OE连接到VCC,以确保高阻抗状态。NCA8244-Q1可接受5.5V的输入电压,每个通道支持最大24 mA电流驱动。所有未使用的输入必须保持在VCC或GND,以防止电源电流过大。

产品特性

• AEC-Q100认证

• 输入类型:CMOS

• 电源电压:4.5V至5.5V

• 输入引脚最高可承受5.5V输入

• 芯片级ESD:HBM:±4kV

• 三态输出

• 工作温度:-40℃〜125℃

• 符合RoHS的封装:TSSOP20

应用场景

• 电机驱动

• I/O模组

• LED显示

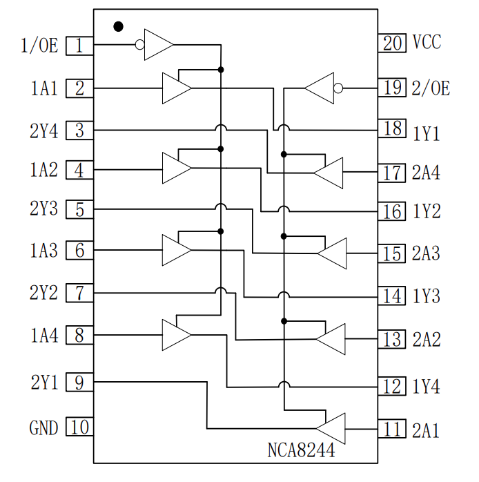
功能框图

image.png

如您需要咨询产品更多信息,请点击“hga010手机版下载”,我们将尽快回复您!

hga010手机版下载