hga010手机版下载·(中国区)官方网站hga010手机版下载

我们非常重视您的个人隐私,当您访问我们的网站时,请同意使用的所有cookie。有关个人数据处理的更多信息可访问《隐私政策》

产品中心
>600V半桥驱动

产品中心

车规级高压半桥非隔离栅极驱动器

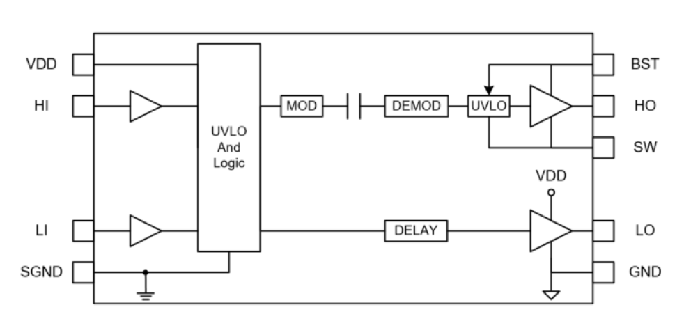
纳芯微高压半桥驱动芯片NSD1624x-Q1具有+4/-6A驱动电流能力,可用于驱动MOSFET/IGBT等各种功率器件。

纳芯微创新地将隔离技术方案应用于高压半桥驱动中,使得高压输出侧可以承受高达1200V的直流电压,同时SW可以满足高dv/dt和耐负压尖峰的需求。可适用于各种高压半桥、全桥、LLC电源拓扑上。

NSD1624x-Q1可兼容TTL/CMOS输入。高压侧和低压侧均有独立的供电欠压保护功能(UVLO),能在10~20V电压范围内工作。

产品特性

• 高压侧电压范围:+/-1200V(SOP14封装);+/-700V(SOP8封装)

• 低于35ns传播延时,低于7ns延时匹配

• +4/-6A 驱动电流能力

• 高低侧独立UVLO功能

• 独立逻辑地管脚(SOP14封装)

• 高达150kV/us的高压侧dV/dt抗干扰能力

• 工作温度范围:-40℃~125℃

• 通过AEC-Q100认证 

应用场景

• 半桥、全桥、LLC电源拓扑

• 高效高密度工业、通信、服务器电源

• 太阳能、电机驱动及新能源领域

功能框图

image.png

如您需要咨询产品更多信息,请点击“hga010手机版下载”,我们将尽快回复您!

hga010手机版下载