我们非常重视您的个人隐私,当您访问我们的网站时,请同意使用的所有cookie。有关个人数据处理的更多信息可访问《隐私政策》
产品特性
• 抗腐蚀、抗冲击、高弹性、无迟滞
• 符合AEC-Q100标准
• 供电电压:3V-5.5V
• 工作压力范围:0.5MPa~10MPa(可定制)
• 可选量程1/1.5/2.5/3.5/4.5/6MPa
• 支持-30V~36V的过压和反压保护
• 全温区精度(经校准后):<0.5%
• 长期稳定性:0.1%FS/Y
• 过载能力:>3倍额定压力
• 响应时间:<1ms
• 集成 EEPROM,可多次编程
• 0-5V比例或者绝对电压输出,PWM输出
• 专有的OWI通信模式
• 带传感器诊断功能、可编程钳位电压
• 陶瓷电容直径20mm/16mm规格可选
• 陶瓷电容工作温度:-40℃~150℃
• 工作介质:空气、机油、刹车油、汽油、柴油、空调制冷剂等;
• 陶瓷电容的具体规格可定制
• 部分量程可选防水介质兼容版本
应用场景
• 汽车机油压力传感器
• 汽车空调压力传感器
• 汽车刹车压力传感器
• 汽车排气压力传感器
• 汽车ESP压力传感器
• 中央空调压力传感器
• 空压机、工业过程控制等
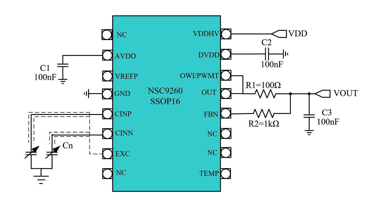
功能框图


如您需要咨询产品更多信息,请点击“hga010手机版下载”,我们将尽快回复您!