hga010手机版下载·(中国区)官方网站hga010手机版下载

Product

Product

Second-generation High-performance Isolated Dual-channel Gate Driver

NSI66x2x is the second-generation high-reliability isolated dual-channel gate driver IC, which enhances anti-interference capability and drive capability, reduces power consumption, and improves the withstand voltage of the input side. It can drive power transistors with switching frequencies up to 2MHz. Each channel output can provide a maximum source/sink current capability of 6A/8A with a fast 25ns propagation delay and a maximum delay match of 5ns. Common-mode transient immunity (CMTI) of 150kV/us improves system robustness. The absolute max rating of the driver side is 30V, and the input side accepts supply voltages from 3V to 18V. All supply voltage pins support undervoltage lockout (UVLO). In addition, multiple undervoltage points are available. The minimum undervoltage point supports 4V and can be used to drive GaN power devices. Multiple packages are available. 

Product Features

- Isolated dual-channel driver

- Input side supply voltage: 3V-18V

- Driver side supply voltage: Absolute max rating 30V, with UVLO

- Peak 6A/8A source/sink current capacity

- High CMTI: 150kV/us typical

- 25ns typical propagation delay

- 5ns maximum delay matching

- 6ns maximum pulse width distortion

- Programmable dead time

- Enabling pins: NSI6602N Enable (high level on)

- Acceptable minimum input pulse width 15ns

- Working temperature: -40°C~125°C

- AEC-Q100 qualified

Safety Certificate

- UL1577 certification:

SOW14: 5.7kVrms for 1 minute

OW16: 5.7kVrms for 1 minute

OP16: 3kVrms for 1 minute

- CQC certification: GB4943.1 -2011

- CSA certification: components 5A qualified

- VDE certification: DIN V VDE V 0884-11: 2017-1

Application

- Isolated DC-DC and AC-DC power supplies in servers, telecommunications and Industrial

- DC-AC solar inverter

- Motor drive and EV charging

- UPS and battery charger

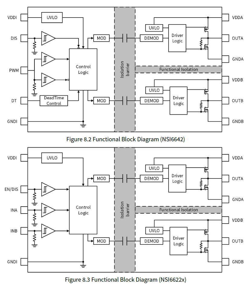
Functional Block Diagram

image.png

image.png

For more product information, please contact us.

hga010手机版下载