NSOPA905x: 40-V Rail-to-Rail High Voltage General Purpose Operational Amplifiers
The NSOPA905x family (NSOPA9051, NSOPA9052, and NSOPA9054) is a family of high voltage (40 V) general purpose operational amplifiers. These devices offer exceptional DC precision and AC performance, including rail-to-rail input/output, low offset (±200 µV, typical), low offset drift (±0.5 µV/°C, typical), low noise (10.5 nV/√Hz and 6 µVPP), and 6MHz bandwidth. Unique features such as differential and common-mode input-voltage range to the supply rail, high output current (65mA), high slew rate (12V/µs), high capacitive load drive (1nF), and shutdown functionality make the NSOPA905x a robust, high performance operational amplifier for high-voltage industrial applications.
The NSOPA905x family of op amps is available in standard packages (SOT-23, MSOP, SOP, and TSSOP), and is specified from -40°C to 125°C.
Product Features
Wide supply: ±1.35 V to ±20 V, 2.7 V to 40 V
• Low offset voltage: 200μV typ
• Low offset voltage drift: ±0.5 μV/°C typ
• Low quiescent current: 600 µA per amplifier
• Unity-gain stable
• Gain-bandwidth product: 6 MHz
• High slew rate: 11 V/μs typ
• Robust EMIRR performance: EMI/RFI filters on input and supply pins
• Differential and common-mode input voltage range to supply rail Pulse-friendly/comparator inputs 1 Amplifier operates with differential inputs up to supply rail 2 Amplifier can be used in open-loop or as comparator
• Extended temperature range: –40°C to 125°C
Application
Industrial:
•Multiplexed data-acquisition systems
Test and measurement equipment
ADC driver amplifiers
SAR ADC reference buffers
Programmable logic controllers
High-side and low-side current sensing
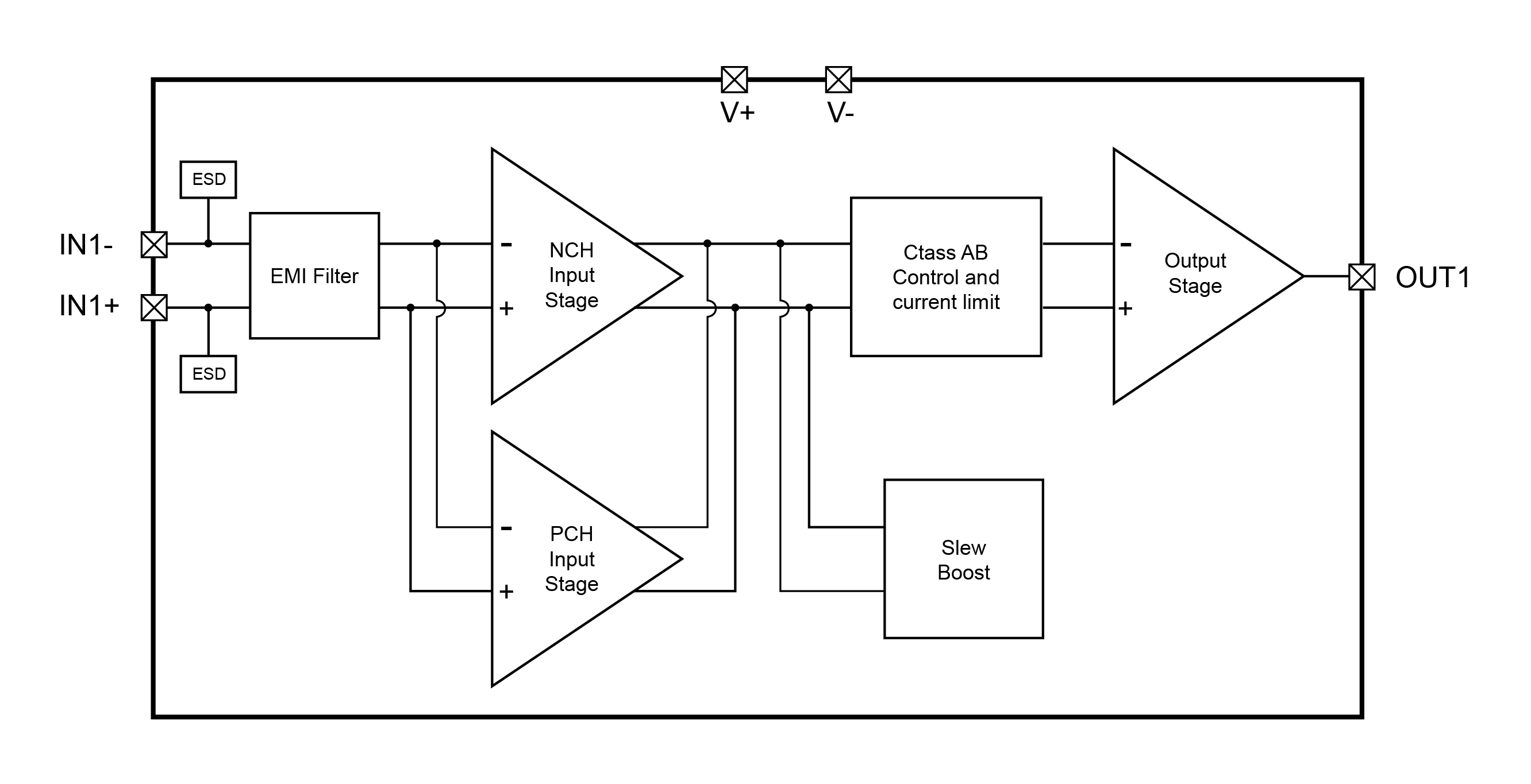
Functional Block Diagram


For more product information, please contact us.