Common vehicle bus
As the control of each system in the vehicle is becoming smarter and more automated, the electrical system of vehicle is getting more and more complex. Data exchange is required between the functional systems of the vehicle, the functional system and the vehicle display instrument, as well as the functional system and the vehicle fault diagnosis system. Traditional point-to-point data exchange method may result in complicated wiring system and high failure rate. Therefore, vehicle manufacturers have studied and defined various vehicle bus standards to reduce the complexity of wiring harness network, failure rate of electronic system, and cost of the vehicle. Among them, CAN bus is the most widely used.
Features of CAN bus
- Signal transmission: Differential transmission adopted for strong anti-interference ability and application in strong interference environment in the vehicle
- Communication speed: Transmission rate of up to 10kbps~5Mbps to meet the requirements of most applications in the vehicle
- Flexible system: Nodes to be added without any software or hardware change
- Multi accesses: Multi-host broadcast structure available
- Information transmission: Fixed message format with priority automatically arbitrated by multiplex ID node
- Error detection: Error detection provided to resend the error and check and receive the CRC automatically with very low data error
Based on the above characteristics, CAN bus can be used for real-time and reliable data transmission and normal communication of vehicle network; In addition, the industrial chain of CAN chip is pretty complete in respect of production, communication standard protocols, software tool support and application, which plays a very important role in automotive applications.
Application circuit reference of CAN system
Increased electronic components in the vehicle bring high electromagnetic interference for both the vehicle and systems on it. Different from traditional vehicles, new energy vehicles use electric drive systems for driving. Switching of high-power devices causes large voltage and current mutations when charging and discharging, probably causing serious EMC problems, and bringing high EMC performance requirements for bus interface chips widely used in vehicles. For better EMC performance, the complement and perfection of the peripheral circuit in the system is also very important in addition to chip design. The following is a typical application circuit diagram of the CAN transceiver system:

Typical Application Circuit Diagram of the CAN Transceiver System
Due to the common-mode high resistance and differential-mode low resistance characteristics of the common-mode inductor, placing the common-mode inductor near the transceiver bus (frame c, recommended value: 100uH) can effectively filter out the high-frequency noise outside the bus and the common-mode noise generated by the CAN transceiver due to signal asymmetry, without affecting the transmission quality of CAN differential signal. Therefore, it can improve the anti-interference ability of the system and reduce the EMI of the system.
A capacitor to ground (100pF recommended) can be placed for the bus to effectively filter out the transient overshoot of the vehicle CAN bus (such as ESD, ISO7637 pulse, etc.) provided that the system speed and load quantity are not affected.
It is recommended that the 120Ω terminal matching resistors of the bus be composed in series by two 60Ω resistors and grounded by the capacitor (4.7nF recommended) at the middle connection point. This helps to improve signal consistency between CANH and CANL buses, reduce EMI, direct the common-mode interference here to the ground to reduce the interference to the bus.
Since systems on the vehicle have high ESD requirements, a dedicated ESD protection device (frame a, such as PESD2CAN) with a small parasitic capacitor placed near the bus interface can effectively enhance the ESD protection of the chip.
In addition, the errors of bus connection load capacitance and matching resistance should be as small as possible to avoid common mode interference caused by bus signal asymmetry.
Introduction to NOVOSENSE CAN transceiver chip
German C&S Authoritative Recognition
NOVOSENSE has obtained the German C&S conformance report for its automobiles-qualified CAN chip (NCA1042x-Q1/NCA1051x-Q1). The German C&S Laboratory is recognized as the authoritative certification body in the industry, which can test whether the on-board chip can achieve connectivity and compatibility in the network. Obtaining the C&S conformance report means that the automobiles-qualified CAN chip of NOVOSENSE can realize the upstream and downstream interconnection and free networking with the CAN interface of any other brand that has obtained the certification.
Performance Advantages
- High transmission rate and high stability
The NCA1042x-Q1/NCA1051x-Q1 CAN transceiver chip of NOVOSENSE can operate stably in the wide temperature range from -40°C to +125°C, with data transmission rate of up to 5Mbps, CAN FD supported in full series, and common package in the industry for excellent EMC performance.
- Low power consumption and high reliability
NCA1042x-Q1 provides Standby mode with low current, which can be woken up by the master controller or bus, while NCA1051x-Q1 provides Silent mode with low power consumption, and both are disconnected from the bus after power failure. In addition, both NCA1042x-Q1 and NCA1051x-Q1 enable TXD timeout in normal mode, NCA1042x-Q1 supports bus timeout in standby mode, the bus voltage of both ranges from -58V to +58V, and both support over-temperature and over-current protection.
- Wide I/O voltage operating range
The chip logic I/O operating voltage of NCA1042B-Q1 and NCA1051A-Q1 CAN transceiver ranges from 2.8 to 5.5V, supporting MCU I/O levels of 3.3V and 5V.
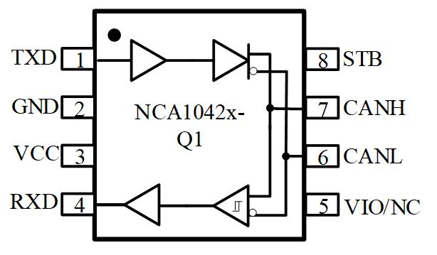
Functional Diagrams
NCA1042x-Q1/NCA1051x-Q1


NCA1042x-Q1/NCA105x-Q1 Functional Diagrams
- The NCA1042x-Q1/NCA105x-Q1 is a high-speed CAN transceiver that provides an interface between the controller with Local Area Network (CAN) protocol and the physical two-wire CAN bus, supporting at least 110 CAN nodes
- Compatible with the CAN physical layer structure defined in ISO 11898-2:2016 and SAE J2284-1 to SAE J2284-5
- Support CAN FD, and realize reliable communication in fast phase network, with data rate of up to 5Mbps
- Provide thermal protection and explicit timeout for data transmission
Product parameter comparison

NCA1042x-Q1/NCA105x-Q1 Product Parameter Comparison
P/N information

NCA1042x-Q1/NCA105x-Q1P/N Information
NOVOSENSE automotive-qualified CAN transceiver interface chip NCA1042x-Q1/NCA1051x-Q1 are both P2P-compatible with mainstream chips in the market. Users can directly replace them without modifying the design, flexibly meeting user's selection requirements, with higher cost performance and more reliable supply guarantee.
Availability
Samples of NCA1042x-Q1/NCA1051x-Q1 chip series are now available. For sample application or ordering, please call 0086-0512-62601802, or email to sales@zghfgroupyz.com. For more information, please visit www.zghfgroupyz.com.