我们非常重视您的个人隐私,当您访问我们的网站时,请同意使用的所有cookie。有关个人数据处理的更多信息可访问《隐私政策》
产品特性
• 隔离耐压3000Vrms
• 数据速率:DC至10Mbps
• 电源电压:2.5V至5.5V
• 高CMTI:100kV/us
• 芯片级ESD:HBM:±4kV
• 增强的系统级ESD,EFT,抗浪涌能力
• 默认输出高电平
• 浪涌电压:8kV
• 低功耗:1.5mA/ch(1Mbps)
• 低传播延迟:<45ns
• 工作温度:-40℃〜125℃
• 符合RoHS的封装:SOP8
安全认证
• UL1577认证: 1分钟 3kVrms
• CQC认证:符合GB4943.1-2011
• CSA认证:组件符合5A
• VDE认证:DIN V VDE V 0884-11:2017-1
应用场景
•工业自动化系统
•隔离SPI, RS232, RS485
•通用多通道隔离
•电池管理系统
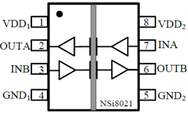
功能框图


如您需要咨询产品更多信息,请点击“hga010手机版下载”,我们将尽快回复您!