我们非常重视您的个人隐私,当您访问我们的网站时,请同意使用的所有cookie。有关个人数据处理的更多信息可访问《隐私政策》
产品特性
•隔离耐压3750Vrms, 5000Vrms
•VDE增强型隔离认证
•数据速率DC至150Mbps
•高CMTI:200kV/μs
•芯片级ESD: HBM: ±8kV
•增强的系统级ESD 、EFT、抗浪涌能力
•隔离栅寿命:>60年
•低传播延迟典型值<15ns
•低功耗: 1.5mA/ch (1 Mbps)
•工作温度:-40~125℃
•AEC-Q100认证
•符合RoHS的封装:SOP8, SOW8,SOW16
安全认证
• UL1577认证: 1分钟 3.75kVrms/5kVrms
• CQC认证:符合GB4943.1-2011
• CSA认证:组件符合5A
• VDE认证:DIN V VDE V 0884-11:2017-1
应用场景
•新能源汽车
•工业自动化系统
•隔离SPI, RS232, RS485
•通用多通道隔离
•电机控制
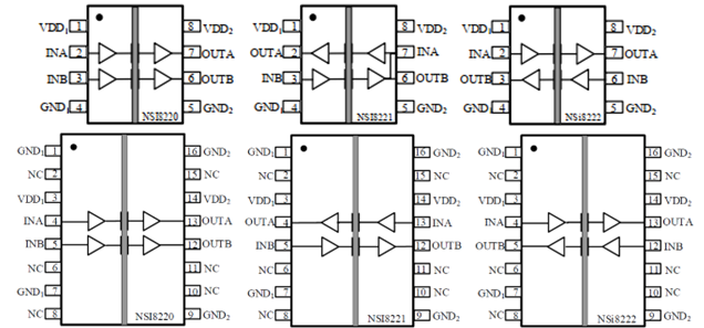
功能框图


如您需要咨询产品更多信息,请点击“hga010手机版下载”,我们将尽快回复您!