我们非常重视您的个人隐私,当您访问我们的网站时,请同意使用的所有cookie。有关个人数据处理的更多信息可访问《隐私政策》
产品特性
•完全兼容ISO11898-2标准
•隔离耐压5000Vrms
•电源电压
oVDD1:2.5V至5.5V
oVDD2:4.5V至5.5V
•总线保护电压-70V至+70V
•过电流和过热保护
•通讯速率达5Mbps
•高CMTI:150kV/μs
•低环路延迟:<220ns
•增强的系统级ESD,EFT,抗浪涌能力
•待机模式:NSI1052
•工作温度:-40℃~125℃
•符合RoHS的封装:SOW8, SOW16
安全认证
• UL1577认证: 1分钟 5kVrms
• CQC认证:符合GB4943.1-2011
• CSA认证:符合IEC60950-1
• VDE认证:DIN V VDE V 0884-10:2006-12
应用场景
•工业自动化系统
•隔离式CAN总线
•通信
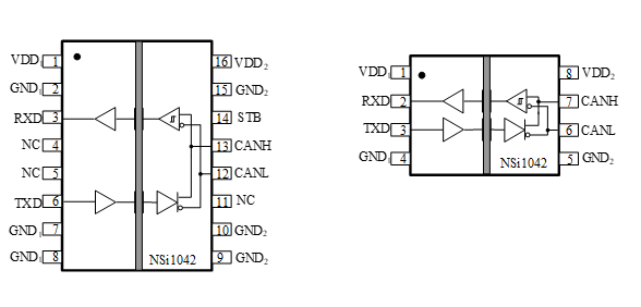
功能框图

所有资源

如您需要咨询产品更多信息,请点击“hga010手机版下载”,我们将尽快回复您!