hga010手机版下载·(中国区)官方网站hga010手机版下载

我们非常重视您的个人隐私,当您访问我们的网站时,请同意使用的所有cookie。有关个人数据处理的更多信息可访问《隐私政策》

产品中心
高压通用运算放大器

产品中心

NSOPA905x:40-V 轨到轨高电压通用运算放大器

NSOPA905x/NSOPA905xQ系列是一系列高电压(40 V)通用运算放大器。这些器件提供卓越的直流精度和交流性能,包括轨到轨的输入/输出,低偏置电压(±200 µV,典型值),低偏置漂移(±0.5 µV/°C,典型值),低噪声(10.5 nV/√Hz 和 6 µVPP),以及6 MHz的带宽。

NSOPA905x系列运算放大器提供标准封装(SOT-23,MSOP,SOP 和 TSSOP),并且在-40°C 到 125°C 的温度范围内有规定。

产品特性

• 宽供电范围: ±1.35 V 到 ±20 V,2.7 V 到 40 V

• 低偏置电压: 200μV 典型值

• 低偏置电压漂移: ±0.5 μV/°C 典型值

• 低静态电流: 每个放大器 600 µA

• 单位增益稳定

• 增益带宽积: 6 MHz

• 高瞬态响应速率: 11 V/μs 典型值

• 强大的EMIRR性能: 输入和供电引脚上有EMI/RFI滤波器

• 差分和共模输入电压范围: 至供电轨,MUX友好/比较器输入

  - 放大器可与差分输入一起使用,直到供电轨

  - 放大器可以在开环模式下使用或作为比较器

• 扩展温度范围: –40°C 到 125°C

应用场景

工业应用:

• 多路复用数据采集系统

• 测试和测量设备

• ADC驱动放大器

• SAR ADC参考缓冲器

• 可编程逻辑控制器

• 高侧和低侧电流检测


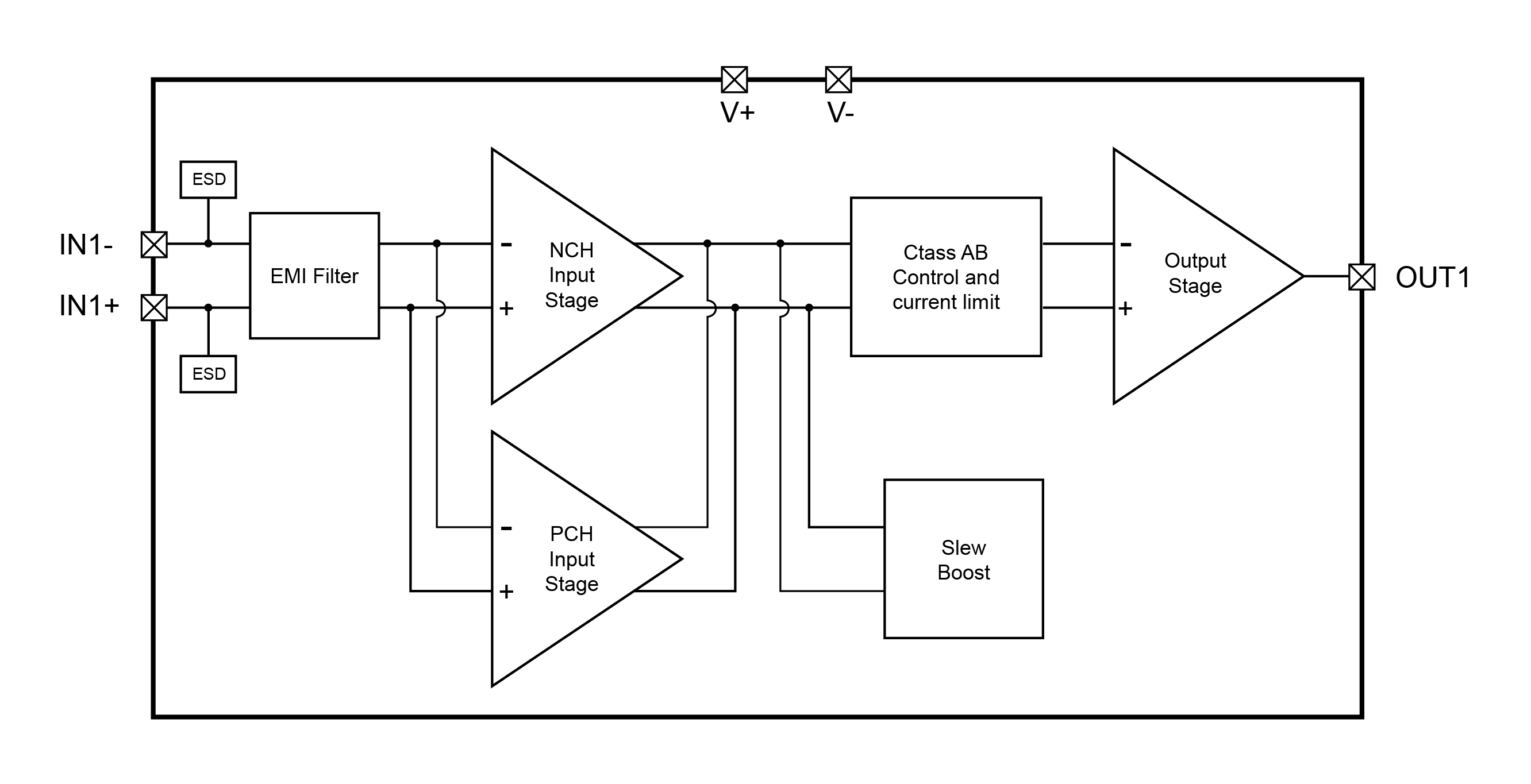
功能框图

NSOPA905x应用框图.jpg

如您需要咨询产品更多信息,请点击“hga010手机版下载”,我们将尽快回复您!

hga010手机版下载