hga010手机版下载·(中国区)官方网站hga010手机版下载

我们非常重视您的个人隐私,当您访问我们的网站时,请同意使用的所有cookie。有关个人数据处理的更多信息可访问《隐私政策》

产品中心
温度传感器

产品中心

NST175-Q1:车规级标准封装的I2C/SMBus接口数字温度传感器

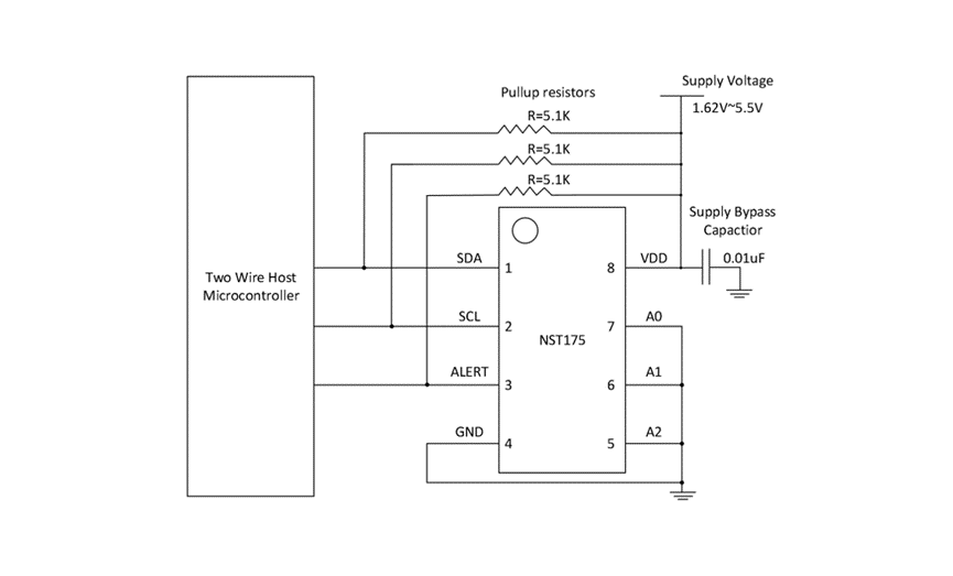
NST175-Q1是一款车规级低功耗高精度数字温度传感器,是负温度系数(NTC)和正温度系数(PTC)热敏电阻的理想替代产品。该器件无需校准或外部组件信号调节即可提供全温区最大值为±1℃的精度。NST175温度传感器为高度线性化产品,无需复杂计算或查表即可得知温度。片上12位模数转换器(ADC)提供低至 0.0625℃的分辨率。NST175-Q1兼容SMBus和I2C接口,允许一条总线上最多连接27个器件,支持SMBus报警功能。NST175温度工作范围为-40℃至125℃,是各种汽车应用的理想选择。NST175-Q1采用行业标准的MSOP8和SOP8封装。

产品特性

•  全温域内保持高精度:

- -20℃~ 85℃: ±0.2℃(典型值)

- -40℃~125℃: ±1℃(最大值)

•  最高分辨率0.0625℃,用户可选

•  支持27个器件地址

•  宽电源电压范围:1.62V至5.5V

•  工作电流: 30μA(典型值)

•  静态电流: 0.1μA (典型值)

•  数字接口: SMBus, I2C 兼容

•  AEC-Q100 Grade1

应用场景

•  汽车空调系统

•  汽车信息娱乐系统

•  空气流量传感器

•  电池管理系统(BMS)

•  引擎控制单元

•  车载HID 灯

•  安全气囊控制单元

功能框图

中功能框图.png

如您需要咨询产品更多信息,请点击“hga010手机版下载”,我们将尽快回复您!

hga010手机版下载